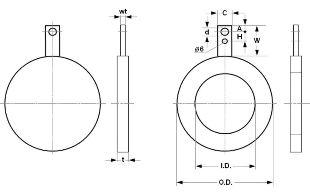
Spades and Ring Spacers

Spades and Ring Spacers are basically the same as Spectacle Blinds, except that both are not attached to each other. Spades and Spacers be applied in systems where maintenance is often not necessary, or in applications with large pipe sizes. Depending on the flange size and the Pressure Class, Spades can weigh hundreds of pounds. To prevent unnecessary weight to a flange connections, usually will be chosen not for a Spectacle Blind, but for 2 separate parts.